在高负载下具有出色的耐用性,
可进行高扭矩传输的行星减速机

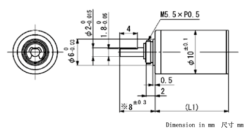
※尺寸表示的是将输出轴顶住马达本体后测量的尺寸
SPG10 一般规格
减速机 SPG10 | ||||
---|---|---|---|---|
1 | 外壳材质 | 金属 | ||
2 | 齿轮系材质 | 钢材 | ||
3 | 最大推荐输入转速 | 10000 | rpm | |
4 | 运行温度范围 | -10...+60 | ℃ | |
5 | 无负载状态下,每阶齿隙 | ≦1 | ° | |
6 | 输出轴处轴承 | 含油烧结套筒轴承 | ||
7 | 输出轴最大径向负载 | 3 | N | |
8 | 输出轴最大轴向负载 | 1 | N | |
9 | 输出轴轴向最大静负载 | 20 | N | |
10 | 输出轴径向游隙 | ≦0.03 | mm | |
11 | 输出轴轴向游隙 | ≦0.3 | mm | |
12 | 最大允许扭矩(连续) | 50 | mNm | |
13 | 最大允许扭矩(断续) | 100 | mNm |
※SPG10是直径为10mm的齿轮头
规格基于阶数
减速比 | 3.6 | 4.7 | 13 | 22 | 61 | 105 | 288 | 494 | ||
---|---|---|---|---|---|---|---|---|---|---|
14 | 减速比 | 3.60:1 | 4.70:1 | 12.96:1 | 22.22:1 | 61.10:1 | 104.77:1 | 288.03:1 | 493.93:1 | |
15 | 阶数 | 1 | 1 | 2 | 2 | 3 | 3 | 4 | 4 | |
16 | 效率 | 85 | 85 | 72 | 72 | 61 | 61 | 52 | 52 | % |
17 | 旋转方向 | = | = | = | = | = | = | = | = | |
18 | 减速机长度 | 10.5 | 10.5 | 13.5 | 13.5 | 16.5 | 16.5 | 19.6 | 19.6 | mm |
19 | 重量 | 5.8 | 5.8 | 7.1 | 7.1 | 8.4 | 8.4 | 9.7 | 9.7 | g |
可配置马达
马达类型 | 减速马达型号 | 3.6 | 4.7 | 13 | 22 | 61 | 105 | 288 | 494 | |
---|---|---|---|---|---|---|---|---|---|---|
空心杯有刷马达 | CMS10-13..P | 23.4 | 23.4 | 26.4 | 26.4 | 29.4 | 29.4 | 32.5 | 32.5 | mm |
CMS10-18..P | 28.9 | 28.9 | 31.9 | 31.9 | 34.9 | 34.9 | 38 | 38 | ||
空心杯无刷马达 | BMS10-10..P | 20.5 | 20.5 | 23.5 | 23.5 | 26.5 | 26.5 | 29.6 | 29.6 | mm |
BMS10-18..P | 28.5 | 28.5 | 31.5 | 31.5 | 34.5 | 34.5 | 37.6 | 37.6 |
例:CMS10-1206 MOTOR + SPG10(3.6) → CMS10-1206P3.6