齿轮马达
减速机SPG22、无刷马达 B4S22-3210

编码器 ETD22

一般仕様
减速比 | ||||
---|---|---|---|---|
20 | 112 | 397 | ||
1 | 減速比(絶対値) | 19.91:1 | 111.50:1 | 396.45:1 |
2 | 阶数 | 2 | 3 | 4 |
3 | 效率(予測値)[%] | (72) | (61) | (52) |
4 | 旋转方向 | 両方向 | 両方向 | 両方向 |
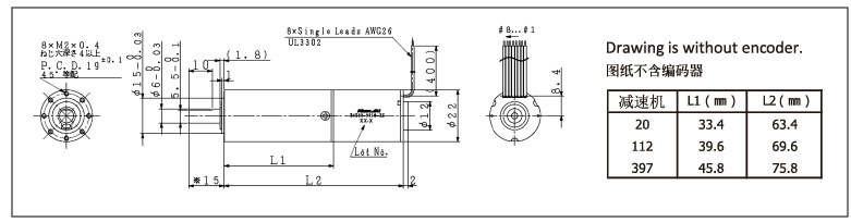
5 | 长度(减速机単体)[mm] | 33.4 | 39.6 | 45.8 |
长度(马达+减速机+编码器)[mm] | 78.3 | 84.5 | 90.7 | |
长度(马达+编码器)[mm] | 45 | 45 | 45 | |
6 | 最大允许扭矩(连续)[mNm] | 190 | 930 | 3010 |
7 | 最大允许扭矩(断续)[mNm] | 280 | 1390 | 4510 |
8 | 平均齿隙(无负载状态下)[deg] | 1.0 | 1.2 | 1.4 |
9 | 使用温度范围 | -20℃~60℃ |
※B4S22-3210为直径22mm,长度32mm无刷马达。
B4S22-3210P 额定电压:24 V
减速比 | ||||
---|---|---|---|---|
20 | 112 | 397 | ||
10 | 无负载转速[rpm] | 339 | 61 | 17 |
11 | 无负载电流[mA] | 130 | 130 | 160 |
12 | 堵转扭矩(計算値)[mNm] | 1040 | 4950 | 14710 |
13 | 堵转电流(計算値)[mA] | 2400 | 2400 | 2400 |
订购时的型号名称
- B4S22-3210 MOTOR + SPG22(20:1) → B4S22-3210P20
- B4S22-3210 MOTOR + SPG22(20:1) + Encoder(Optical 1024ppr)→ B4S22-3210P20OF
新开发的行星减速机
<特征>
- 齿轮采用滚轴结构,可实现高负载和高扭矩。
- 内齿和发兰一体设计,具有高耐用性,适用于工业机器人等。
